Coil Gun Progress
Follow along with the development and updates of this project.
Fried some circuits
Accidentally put too much voltage through my circuit and fried many components... Led me to learning abt inductance tho, so still call it a win :)

Started bench testing
Lots of testing. Bigger coils, bigger projectile, new circuits.
Simulated performance of coils
Wrote python program to simulate current and field strength in a coil based on relevant parameters. Physics is great!

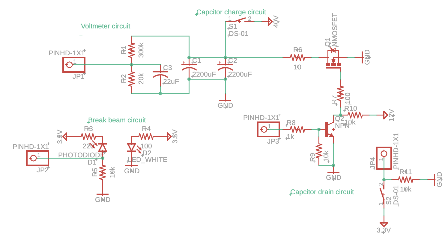
Design utility circuits
Designed and tested circuits for control and measurement of important values (capacitor voltage, projectile position/speed etc.)

Added second coil
Double coils, double speed? Need a way to measure velocity, but seems to be working :)
Redesign PCB
Redesigned PCB to fire with capacitors. Also simplified MOSFET driver and removed need for microcontroller

First PCB design
Designed the first PSB for manufacturing. My first time designing a PCB ever :)
Semi automatic tests
First tests using triggers to start and stop current
Prototype PCBS
Designed an soldered prototype PCBs to control current to the coil

Tested Hall-Effect sensors
Will be using these to automatically manage current in the coil based on location of the projectile
First test
Wound coil and tested a launcher using a single coil
Created coil holder
Designed and printed the first version of the coil holder

Project Status
Current Phase
Fried some circuits
Last Updated
March 1, 2025
Status
Active